Құралдар
Автоматты жарық ауыстырғыш таймер
  • Автоматты жарық ауыстырғыш таймерАвтоматты жарық ауыстырғыш таймер
  • Автоматты жарық ауыстырғыш таймерАвтоматты жарық ауыстырғыш таймер
  • Автоматты жарық ауыстырғыш таймерАвтоматты жарық ауыстырғыш таймер
  • Автоматты жарық ауыстырғыш таймерАвтоматты жарық ауыстырғыш таймер

Автоматты жарық ауыстырғыш таймер

Xucky Жоғары сапалы автоматты жарық ауыстырғыш таймер, ALST8 баспалдақтарының уақыт қосқышы DIN Rail бағдарламасында қол жетімді. Бұл жұмыс уақыты 1 минуттан 7 минутқа дейін және электронды шамадан тыс жүктемемен жабдықталған.

Xucky Жоғары сапалы автоматты жарық ауыстырғыш таймер, ALST8 баспалдақтарының уақыт қосқышы DIN Rail бағдарламасында қол жетімді. Бұл жұмыс уақыты 1 минуттан 7 минутқа дейін және электронды шамадан тыс жүктемемен жабдықталған.

● Қосқышты қосыңыз

Ұсынылған ең көп жүктеме (10 000 операция)

● Сыртқы итеру қосқышын басқару

● Синхронды мотор жетегіне байланысты сенімді

● кедергілердің аз сезімталдығы

● дәлдік механикасы, сондықтан оны дәл ауыстыру кезеңі

● абсолютті масштабта уақытын оқуды жеңілдету және кешіктіруді тікелей уақыт бөлу


Түсіндірме

Xucky Жоғары сапалы автоматты түрде сөндіргіш таймер - бұл белгілі бір тізбекті кері санақпен өшіру үшін, 1 минуттан 7 минутқа дейін сөндіру үшін электр ауыстырып-қосқышта қолдануға арналған. Ол сонымен қатар қалыпты / өшіру қосқышы ретінде жұмыс істей алады. Кері санақ уақытының қосқышы көптеген ыңғайлылықты бақылау үшін әртүрлі жерлерде көптеген қосқыштармен (неон қосқышымен) қосылуға мүмкіндік береді.


Өнімді таңдау

Вольтаж

230VAC

Жиілік

50 гц

Коммутация сыйымдылығы

16А


Ұсынылған ең көп жүктеме (10 000 операция)

Қосылған / галогендік шам жүк тиеу 230в

Флуоресцентті шамның жүктемесі (әдеттегі) қорғасын-арық тізбегі

Флуоресцентті шамның жүктемесі (шартты) параллель түзетілген

Энергияны үнемдейтін шамдар

Жарықдиодты шам <2 w

Жарықдиодты шам 2-8 Вт

Жарықдиодты шам> 8 W

2300 Вт

2300 ВА

1300 VA 70 мкф

150 Вт

30 Вт

300 Вт

300 Вт


Техникалық мәліметтер

Люминесцентті шамның жүктемесі (электронды балласт)

600 Вт

Қосылым түрі

3- / 4-өткізгіштер

Екіншілік коммутация

30-дан кейін

Тұрғын үй-оқшаулау материалы

Жоғары температураға төзімді, өзін-өзі сөндіретін термопластикалық

Тұтынушылық тұтыну

0 w

Қорғау түрі

IP 20

Қорғау класы

II KZ 60 730-1 сәйкес

Қоршаған орта температурасына рұқсат етілген

-10 ~ +50 ° C (мұздату емес)

Тест келісімі

Ce


Еректерлер

Номиналды ток 230v ~ 50hz
Оммикалық жүктеме 16А, ең көбі 3680 Вт
Индуктивті жүктеме 230v ~, 4a /cosφ0.4
Кері санақ кезеңі 1 минут 7 минутқа дейін
Ділдік 0-ден 1 минутқа дейін: ± 10 секунд
0-ден 7 минутқа дейін: ± 18 секунд
IP рейтингі IP20
Жұмыс температурасы -10 ° C-ға дейін-55 ° C


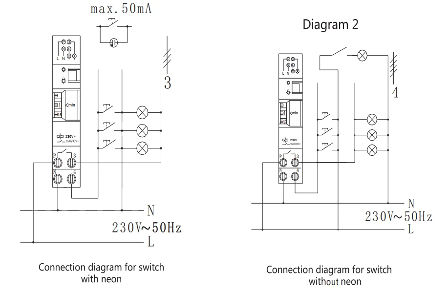
Сымдар диаграммалары


Монтаждау және қосылу

1.Қандайжатталған электрлік қосқыш жолағында оңай орнату үшін таймерді рельске қарай бұрап, «нұқыңыз» естілгенше басыңыз. Жою керек. Жою, Шығару үшін таймердің төменгі жағында орналасқан ауысуды тартыңыз.

2. Timeswitch коммутатормен қосылуға мүмкіндік береді (неон жарығымен немесе онсыз).

A. «Неонсыз» қосқыш үшін 2-диаграмма және 2-диаграмма көмегімен ауысу үшін 1-диаграмма диаграммасында көрсетілген сымдарды көрсетіңіз.

B. Түйіндеме позициясына, қуат Әрқашан қосулы.

C.For Кері санақ функциялары, уақыт тұтқасын қажетті санаққа дейін бұраңыз (1 минуттан 7 минутқа дейін).

D.Then, ауыстырғышты позицияларға қойыңыз, қуат өшіру Timeswitch Кері санақ функциясы үшін күту режимінде.

e.Пушон қосқышты Кері санақ функциясын қосу үшін, қуат көздері қосады. Ол белгіленген уақытта автоматты түрде сөнеді.

е. Неон үшін жалпы ток 50 мА-дан аспауы керек. Егер неон 1 мА ток көтерсе, онда 50-ден астам NEON ауыстырғышын санау уақытына қосылмауы керек.

g.Fore NEON-ді ауыстыру үшін, сіз оңай басқару үшін әр түрлі жерге қосыла аласыз.

3. TimeSwitch кері санақ режимінде болғанда, ешқандай интерфейс болмайды:

Қосылған қосқышты (екеуі де неон қосқышымен немесе жоқ) итеріңіз. Уақыт тұтқасын әр түрлі санау кезеңіне ауыстыру.



Hot Tags: Автоматты жарық ауыстырғыш таймер, Қытай, өндіруші, жеткізуші, зауыт
Сұрау жіберу
Байланыс ақпараты
  • Мекенжай

    №2567 Оңтүстік Жол, Люуши, Еуекинг, Вэнчжоу, Жежаң, Қытай

  • Электрондық пошта

    xucky@xucky.com

ТЕГІН БАҒАЛАУ ЖӘНЕ ТЕГІН БАСҚАРУ ЖӘНЕ ТАБЫС

Бүгінгі сауалға сіздің ерекшеліктеріңізге сәйкес конкурстық баға ұсыныңыз.

X
Біз cookie файлдарын сізге жақсырақ шолу тәжірибесін ұсыну, сайт трафигін талдау және мазмұнды жекелендіру үшін пайдаланамыз. Осы сайтты пайдалану арқылы сіз cookie файлдарын пайдалануымызға келісесіз. Құпиялылық саясаты
Қабылдамау Қабылдау